|
Серводвигатели Mecapion. Габаритные и присоединительные размеры.
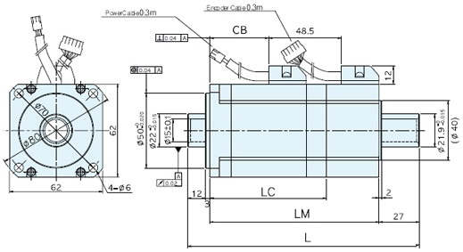
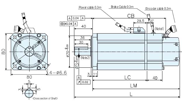
Серия серводвигателей SA (SAR3A, SAR5A, SA01A)
|
Модель
|
Внешние размеры
|
Вес, кг
|
|
L
|
LM
|
LC
|
CB
|
|
SAR3A
|
100,5 (137)
|
75,5 (112)
|
42,5
|
65,5 (102)
|
0,32 (0,67)
|
|
SAR5A
|
107,5 (144)
|
82,5 (119)
|
49,5
|
75,2 (109)
|
0,38 (0,73)
|
|
SA01A
|
124,5 (161)
|
99,5 (136)
|
66,5
|
89,5 (126)
|
0,5 (0,85)
|
Значения ( ) - для двигателя с тормозом
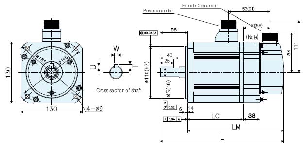
Серия серводвигателей SB (SB01A, SB02A, SB04A)
|
Модель
|
Внешние размеры
|
Вес, кг
|
|
L
|
LM
|
LC
|
CB
|
|
SB01A
|
122 (162)
|
92 (132)
|
52
|
59,5 (99,5)
|
0,82 (1,4)
|
|
SB02A
|
136 (176)
|
106 (146)
|
66
|
73,5 (113,5)
|
1,08 (1,66)
|
|
SB04A
|
164 (204)
|
134 (174)
|
94,5
|
101,5 (141,5)
|
1,58 (2,16)
|
Значения ( ) - для двигателей с тормозом
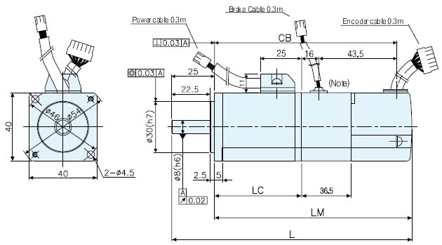
Серия серводвигателей SC (SC04A, SC03D, SC06A, SC05D, SC08A,
SC06D, SC10A, SC07D)
|
Модель
|
Внешние размеры
|
Вес, кг
|
|
L
|
LM
|
LC
|
CB
|
S
|
|
SC04A, SC03D
|
158 (198)
|
118 (158)
|
79
|
86,5 (127)
|
14
|
1,88 (2,92)
|
|
SC06A, SC05D
|
178 (218)
|
138 (178)
|
99
|
106,5 (147)
|
16
|
2,52 (3,56)
|
|
SC08A, SC06D
|
198 (238)
|
158 (198)
|
119
|
126,5 (167)
|
16
|
3,18 (4,22)
|
|
SC10A, SC07D
|
218 (258)
|
178 (218)
|
139
|
146,5 (187)
|
16
|
3,9 (4,94)
|
Значения ( ) - для двигателей с тормозом
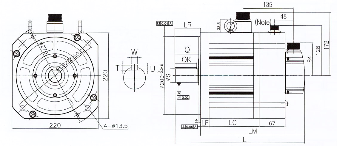
Серия серводвигателей SE (SE09A, SE06D, SE05G, SE03M, SE15A,
SE11D, SE09G, SE06M, SE22A, SE16D, SE13G, SE09M SE30A, SE22D, SE17G,
SE12M )
|
Модель
|
Внешние размеры
|
вал
|
Вес, кг
|
|
L
|
LM
|
LC
|
S
|
T
|
W
|
U
|
|
SE09A, SE06D, SE05G, SE03M
|
202 (240)
|
144 (182)
|
94
|
19
|
5
|
5
|
3
|
5,5 (7,04)
|
|
SE15A, SE11D, SE09G, SE06M
|
226 (264)
|
168 (206)
|
118
|
19
|
5
|
5
|
3
|
7,54 (9,08)
|
|
SE22A, SE16D, SE13G, SE09M
|
250 (288)
|
192 (230)
|
142
|
22
|
6
|
6
|
3,5
|
9,68 (11,22)
|
|
SE30A, SE22D, SE17G, SE12M
|
274 (312)
|
216 (254)
|
166
|
22
|
6
|
6
|
3,5
|
11,78 (13,32)
|
Значения ( ) - для двигателей с тормозом
Серия серводвигателей SF (SF30A, SF22D, SF20G, SF12M, SF50A,
SF35D, SF30G, SF20M, SF55D, SF44G, SF30M SF75D, SF60G, SF44M, SF75G
)
|
Модель
|
Внешние размеры
|
вал
|
Вес, кг
|
|
L
|
LM
|
LC
|
LR
|
S
|
QK
|
T
|
W
|
U
|
|
SF30A, SF22D, SF20G, SF12M
|
261,8 (313,8)
|
182,8 (234,8)
|
132,8
|
79
|
35 +0,01+0
|
60
|
8
|
10
|
5
|
12,4 (19,2)
|
|
SF50A, SF35D, SF30G, SF20M
|
294,8 (346,8)
|
215,8 (267,8)
|
165,8
|
79
|
35 +0,01+0
|
60
|
8
|
10
|
5
|
17,7 (24,9)
|
|
SF55D, SF44G, SF30M
|
344,8 (296,8)
|
265,8 (317,8)
|
215,8
|
79
|
35 +0,01+0
|
60
|
8
|
10
|
5
|
26,3 (33,4)
|
|
SF75D, SF60G, SF44M
|
404,8 (456,8)
|
325,8 (377,8)
|
275,8
|
79
|
35 +0,01+0
|
60
|
8
|
10
|
5
|
35,6 (42,8)
|
|
SF75G
|
458,8 (510,8)
|
345,8 (397,8)
|
295,8
|
113
|
42 -0-0016
|
96
|
8
|
12
|
5
|
39,4 (45,1)
|
Значения ( ) - для двигателей с тормозом
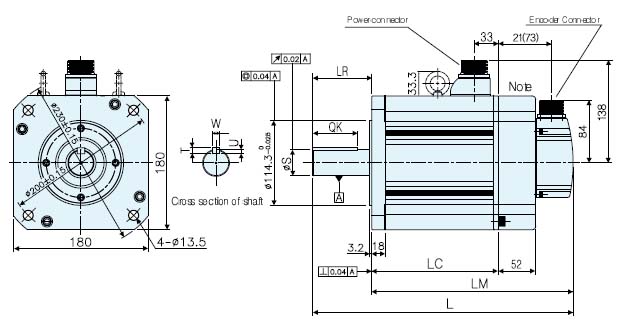
Серия серводвигателей SG (SG22D, SG20G, SG12M, SG35D, SG30G,
SG20M, SG55D, SG44G, SG30M, SG75D, SG60G, SG44M)
|
Модель
|
Внешние размеры
|
Вес, кг
|
|
L
|
LM
|
LC
|
|
SG22D, SG20G, SG12M
|
237 (303)
|
172 (238)
|
122
|
16,95 (30,76)
|
|
SG35D, SG30G, SG20M
|
257 (323)
|
192 (258)
|
142
|
21,95 (35,7)
|
|
SG55D, SG44G, SG30M
|
293 (359)
|
228 (294)
|
178
|
30,8 (44,94)
|
|
SG75D, SG60G, SG44M
|
321 (387)
|
256 (322)
|
208
|
37,52 (50,94)
|
Значения ( ) - для двигателей с тормозом
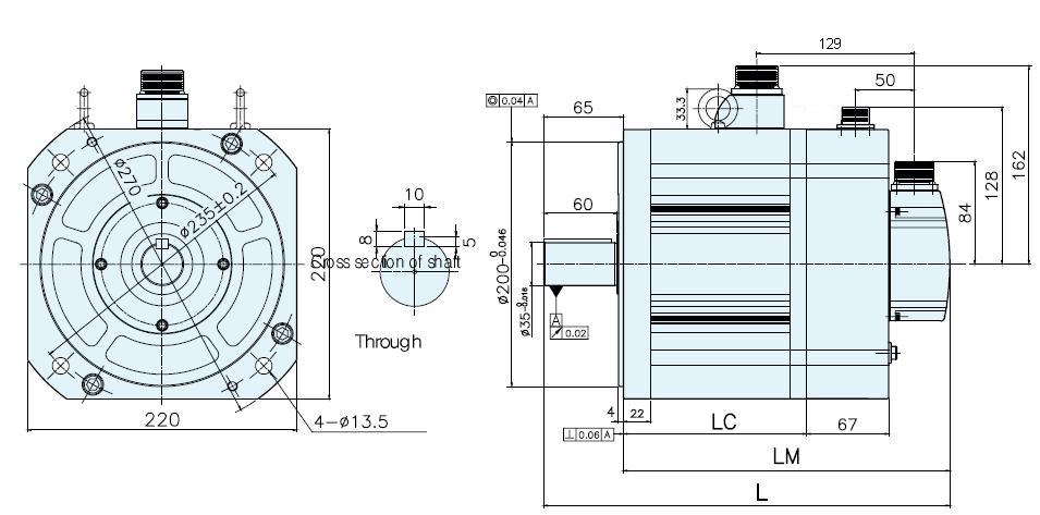
Серия серводвигателей SG (SG110D, SG85G, SG60M, SG110G, SG150G )
|
Модель
|
Внешние размеры
|
вал
|
Вес, кг
|
|
L
|
LM
|
LC
|
LR
|
LF
|
S
|
Q
|
QK
|
T
|
W
|
U
|
|
SG110D, SG85G, SG60M
|
421 (486)
|
356 (421)
|
306 (304)
|
65
|
22
|
40 -0-0016
|
60
|
55
|
8
|
10
|
5
|
66,2 (82,6)
|
|
SG110G
|
469
|
354
|
304
|
115
|
22
|
42 -0-0016
|
110
|
96
|
10
|
12
|
5
|
66,3 (82,7)
|
|
SG150G
|
575
|
459
|
409
|
116
|
35
|
55 +0,03-0011
|
110
|
96
|
10
|
16
|
6
|
92,2 (108,6)
|
Значения ( ) - для двигателей с тормозом
HB Серия серводвигателей с полым валом(HB01A, HB02A, HB04A)
|
Модель
|
Внешние размеры
|
Вес, кг
|
|
L
|
LM
|
LC
|
LB
|
полый вал
|
|
HB01A
|
140,5
|
98,5
|
52,5
|
25
|
15
|
0,89
|
|
HB02A
|
154,5
|
112,5
|
66,5
|
39
|
15
|
1,16
|
|
HB04A
|
182,5
|
140,5
|
94,5
|
67
|
15
|
1,69
|
Значения ( ) - для двигателей с тормозом
HE Серия серводвигателей с большим полым валом(HE09A, HE15A)
|
Модель
|
Внешние размеры
|
Вес, кг
|
|
L
|
LM
|
LC
|
полый вал
|
|
HE09A
|
207
|
150
|
111,5
|
40
|
5,82
|
|
HE15A
|
231
|
174
|
135,5
|
40
|
7,43
|
Значения ( ) - для двигателей с тормозом
SH/SJ Серия серводвигателей (SH220G, SH300G, SJ370G)
|
Модель
|
Внешние размеры
|
|
L
|
LM
|
LN
|
D
|
R
|
A
|
B
|
F
|
S
|
Y
|
|
SH220G
|
811
|
671
|
135
|
405
|
300
|
285
|
350
|
250
|
70
|
4 — ф17,5
PCD 300
|
|
SH300G
|
823
|
683
|
135
|
356
|
256
|
254
|
304
|
230
|
64
|
4 — ф13,5
PCD 265
|
|
SJ370G
|
755
|
615
|
135
|
356
|
256
|
254
|
304
|
230
|
64
|
4 — ф13,5
PCD 265
|
Значения ( ) - для двигателей с тормозом
|
Документация
Каталоги, инструкции сервоприводов Mecapion
здесь >>>
Продукция
|