Характеристки серводвигателей
Размеры серводвигателей...
Вернутся к описанию...
|
Номнальный момент
|
Момент удержания
|
Макс. момент
|
Номинальная скорость
|
Максимальная скорость
|
Момент инерции ротора
|
Напряжение 3x220 В
|
Напряжение 3x380 В
|
|
Ток удержания
|
Номинальный ток
|
Макс. ток
|
Рекомен. типоразмер ПЧ*
|
Ток удержания
|
Номинальный ток
|
Макс. ток
|
Рекомен. типоразмер ПЧ*
|
|
Типоразмер
|
Mn [Нм]
|
Mо [Нм]
|
Mmax [Нм]
|
Nn [об/мин]
|
Nmax [об/мин]
|
JL [кг*см^2]
|
Io [A]
|
In [A]
|
Imax [A]
|
|
Io [A]
|
In [A]
|
Imax [A]
|
|
|
A1.SM
|
0.32
|
0.34
|
1.7
|
6000
|
9000
|
0.17
|
1.2
|
1.3
|
10.0
|
04.
|
0.85
|
0.9
|
7.1
|
04.
|
|
A2.SM
|
0.48
|
0.5
|
2.5
|
6000
|
9000
|
0.24
|
1.5
|
1.7
|
12.8
|
04.
|
1.0
|
1.1
|
8.5
|
04.
|
|
A3.SM
|
0.6
|
0.65
|
3.2
|
6000
|
9000
|
0.31
|
2.0
|
2.3
|
15.3
|
04.
|
1.2
|
1.3
|
9.2
|
04.
|
|
A4.SM
|
0.8
|
1.0
|
5.0
|
6000
|
9000
|
0.45
|
3.2
|
3.4
|
24.0
|
07.
|
1.6
|
1.7
|
12.0
|
09.
|
|
|
B1.SM
|
0.6
|
0.65
|
3.1
|
4000
|
9000
|
0.22
|
1.9
|
2.0
|
16.1
|
04.
|
0.9
|
0.9
|
7.6
|
04.
|
|
0.5
|
0.65
|
3.1
|
6000
|
9000
|
0.22
|
2.6
|
2.5
|
22.1
|
07.
|
1.3
|
1.2
|
11.1
|
04.
|
|
B2.SM
|
1.3
|
1.5
|
7.2
|
4000
|
9000
|
0.36
|
3.2
|
2.9
|
27.2
|
07.
|
1.6
|
1.4
|
13.6
|
09.
|
|
1.0
|
1.5
|
7.2
|
6000
|
9000
|
0.36
|
5.0
|
4.4
|
42.4
|
09.
|
2.4
|
2.1
|
20.4
|
09.
|
|
B3.SM
|
2.0
|
2.3
|
11.0
|
4000
|
9000
|
0.57
|
5.5
|
4.7
|
46.7
|
10.
|
2.4
|
2.0
|
20.4
|
09.
|
|
1.5
|
2.3
|
11.0
|
6000
|
9000
|
0.57
|
7.7
|
6.6
|
65.3
|
10.
|
3.5
|
3.0
|
29.7
|
09.
|
|
|
C1.SM
|
0.8
|
0.95
|
4.3
|
3000
|
6000
|
1.2
|
1.5
|
1.4
|
10.6
|
04.
|
0.8
|
0.75
|
5.6
|
04.
|
|
0.75
|
0.95
|
4.3
|
4000
|
6000
|
1.2
|
2.0
|
1.8
|
14.1
|
04.
|
1.0
|
0.9
|
7.7
|
04.
|
|
0.7
|
0.95
|
4.3
|
6000
|
6000
|
1.2
|
3.0
|
2.4
|
21.2
|
07.
|
1.6
|
1.3
|
11.3
|
09.
|
|
C2.SM
|
2.4
|
2.7
|
12.2
|
3000
|
6000
|
2.7
|
3.2
|
3.0
|
22.6
|
07.
|
1.9
|
1.8
|
13.3
|
09.
|
|
2.2
|
2.7
|
12.2
|
4000
|
6000
|
2.7
|
4.3
|
3.6
|
30.4
|
09.
|
25
|
2.1
|
17.6
|
09.
|
|
2.0
|
2.7
|
12.2
|
6000
|
6000
|
2.7
|
5.5
|
5.3
|
45.9
|
10.
|
3.7
|
3.0
|
26.1
|
09.
|
|
C3.SM
|
3.9
|
4.5
|
20.3
|
3000
|
6000
|
4.2
|
5.1
|
4.6
|
36.0
|
10.
|
2.9
|
2.7
|
20.5
|
09.
|
|
3.5
|
4.5
|
20.3
|
4000
|
6000
|
4.2
|
6.7
|
5.5
|
47.3
|
10.
|
3.8
|
3.1
|
26.8
|
10.
|
|
2.8
|
4.5
|
20.3
|
6000
|
6000
|
4.2
|
9.9
|
6.7
|
70.0
|
10.
|
5.6
|
3.8
|
39.5
|
10.
|
|
C4.SM
|
5.0
|
6.0
|
27.0
|
3000
|
6000
|
5.4
|
7.1
|
6.3
|
50.2
|
10.
|
4.2
|
3.7
|
29.7
|
10.
|
|
4.5
|
6.0
|
27.0
|
4000
|
6000
|
5.4
|
9.1
|
7.3
|
64.3
|
10.
|
5.5
|
4.4
|
38.9
|
12.
|
|
3.0
|
6.0
|
27.0
|
6000
|
6.000
|
5.4
|
13.7
|
7.9
|
96.8
|
12.
|
7.8
|
4.5
|
55.1
|
12.
|
|
|
D1.SM
|
3.7/5.5
|
4.2/6.2
|
27.0
|
3000
|
6000
|
4.8
|
5.3
|
4.9
|
35.9
|
09.
|
3.0/4.1
|
2.8/4.2
|
20.4
|
09/10.
|
|
3.5/5.4
|
4.2/6.2
|
27.0
|
4000
|
6000
|
4.8
|
7.0
|
3.5
|
47.5
|
09.
|
4.0/5.4
|
3.5/5.0
|
27.2
|
10./12.
|
|
3.0/4.2
|
4.2/6.2
|
27.0
|
6000
|
6000
|
4.8
|
10.2
|
8.2
|
69.2
|
12.
|
6.0/8.1
|
4.8/6.7
|
40.7
|
12.
|
|
D2.SM
|
6.1/8.7
|
7.0/10.5
|
31.5
|
3000
|
6000
|
7.4
|
8.5
|
8.1
|
57.7
|
12.
|
4.8/6.8
|
4.5/6.4
|
32.5
|
12.
|
|
5.8/8.4
|
7.0/10.5
|
31.5
|
4000
|
6000
|
7.4
|
11.6
|
10.5
|
78.8
|
12.
|
6.4/9.2
|
5.8/8.4
|
43.4
|
12./13.
|
|
3.8/7.5
|
7.0/10.5
|
31.5
|
6000
|
6000
|
7.4
|
16.0
|
9.6
|
108.6
|
12.
|
9.9/14.2
|
5.9/11.7
|
67.2
|
13./14.
|
|
D3.SM
|
8.4/12.2
|
10.0/14.5
|
45.0
|
3000
|
6000
|
9.8
|
12.4
|
10.9
|
84.1
|
12.
|
7.2/10.4
|
6.3/9.2
|
48.8
|
13./14.
|
|
7.6/12.0
|
10.0/14.5
|
45.0
|
4000
|
6000
|
9.8
|
17.0
|
13.5
|
115.4
|
12.
|
9.7/14.1
|
7.7/12.2
|
65.в
|
13./14.
|
|
5.0/10.5
|
10.0/14.5
|
45.0
|
6000
|
6000
|
9.8
|
22.6
|
12.7
|
152.7
|
13.
|
13.6/19.7
|
7.6/16.0
|
92.3
|
14./15.
|
|
D4.SM
|
9.6/15.
|
12/18.5
|
54.0
|
3000
|
6000
|
12.7
|
14.2
|
12.2
|
96.3
|
12.
|
8.5/12.3
|
7.3/11.5
|
57.7
|
13./14.
|
|
8.6/15.5
|
12/18.5
|
54.0
|
4000
|
6000
|
12.7
|
18.2
|
13.5
|
123.5
|
13.
|
11.6/16.8
|
8.6/14.7
|
78.8
|
13./15.
|
|
|
E1.SM
|
7.0/11.2
|
8.5/12.9
|
42
|
2000
|
4000
|
12.3
|
6.4
|
5.3
|
48
|
10.
|
3.7/5.6
|
3.1/5.0
|
28
|
10./12.
|
|
8. 5/10.3
|
8.5/12.9
|
42
|
3000
|
4000
|
12.3
|
9.6
|
7.7
|
72
|
10.
|
5.6/8.5
|
4.5/7.1
|
42
|
12.
|
|
5.2/9 3
|
8.5/12.9
|
42
|
4000
|
4000
|
12.3
|
12.8
|
8.3
|
97
|
12
|
7.4/11.2
|
4.8/8.6
|
56
|
12./13.
|
|
E2.SM
|
12.2/18.7
|
14/21.5
|
70
|
2000
|
4000
|
19.5
|
10.3
|
9.0
|
78
|
12
|
5.6/7.8
|
4.9/7.5
|
42
|
12.
|
|
11.0/15.5
|
14/21.5
|
70
|
3000
|
4000
|
19.5
|
16.0
|
12 5
|
121
|
12
|
9.0/11.6
|
7.0/10.9
|
68
|
12./14.
|
|
7.6/15.5
|
14/21.5
|
70
|
4000
|
4000
|
19.5
|
21.3
|
11.6
|
160
|
13.
|
12.0/15.2
|
6.5/13.3
|
90
|
13./14.
|
|
E3.SM
|
16.5/26.0
|
19/30
|
85
|
2000
|
4000
|
26.7
|
14.0
|
12.7
|
95
|
13.
|
8.1/12.8
|
7.3/11.5
|
55
|
12./14.
|
|
14.6/23.8
|
19/30
|
85
|
3000
|
4000
|
26.7
|
21.1
|
16 8
|
143
|
14.
|
12.4/19.6
|
9.9/16.1
|
84
|
14./15.
|
|
8.7/21.6
|
19/30
|
85
|
4000
|
4000
|
26.7
|
26.3
|
12.5
|
178
|
14.
|
16.2/25.6
|
7.7/19.1
|
110
|
14./16.
|
|
E4.SM
|
21.4/33.0
|
27/42
|
121
|
2000
|
3000
|
36.0
|
19.8
|
15.6
|
34
|
13.
|
11.9/15.2
|
9.4.14.5
|
80
|
14./15.
|
|
15.5/31.6
|
27/42
|
121
|
3000
|
3000
|
36.0
|
27.8
|
18.0
|
188
|
14.
|
17.3/22.2
|
9.9/20.2
|
117
|
15./16.
|
|
|
|
F1.SM
|
22.5/35.4
|
25/39
|
88
|
1500
|
4000
|
84.0
|
|
8.2/12.3
|
7.5/11.8
|
41
|
12./14.
|
|
21.5/35.0
|
25/39
|
88
|
2000
|
4000
|
84.0
|
11.1/16.6
|
9.7/15.8
|
55
|
14.116
|
|
20.0/31.7
|
25/39
|
88
|
3000
|
4000
|
84.0
|
17.0/25.4
|
13.8/21.9
|
85
|
15./17.
|
|
16.0/28.0
|
25/39
|
88
|
4000
|
4000
|
84.0
|
22.2 33.2
|
14.8/25.5
|
110
|
15./17.
|
|
F2.SM
|
42.0/64.0
|
50/75
|
175
|
1500
|
4000
|
147
|
17.0/25.5
|
14.5/22.1
|
85
|
15./17.
|
|
38.0/63.0
|
50/75
|
175
|
2000
|
4000
|
147
|
22.3/33 5
|
17.2/28.5
|
111
|
15./17.
|
|
31.0/58.2
|
50/75
|
175
|
3000
|
4000
|
147
|
32.2/48.3
|
20.6/38.7
|
160
|
16./19.
|
|
F3.SM
|
61.0/92.8
|
70/110
|
245
|
1500
|
4000
|
210
|
23 1/34.8
|
20.9/31.8
|
115
|
17./19.
|
|
52.0/90.0
|
70/110
|
245
|
2000
|
4000
|
210
|
30.8/46.0
|
23.7/41.1
|
153
|
17./20.
|
|
33.0/85.0
|
70/110
|
245
|
3000
|
4000
|
210
|
46.2/69.0
|
22.9/56.0
|
229
|
19./21.
|
* - Преобразователь частоты КЕВ предложен исходя из Mmax=2 x Mn
Примечание
Характеристики через дробь «/»:
слева — естественное охлаждение,
справа — принудительное охлаждение.
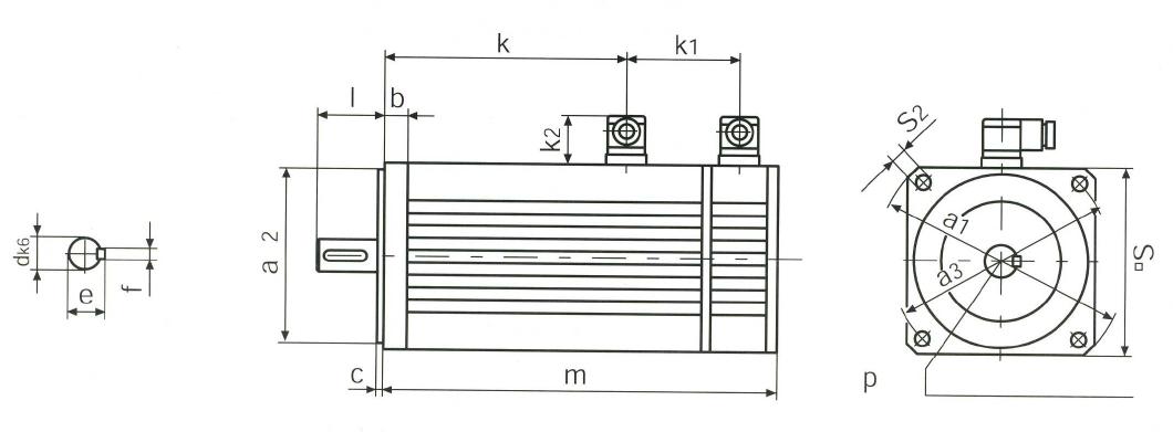
Габаритные и присоединительные размеры серводвигателей
Характеристики серводвигателей...
Вернутся к описанию...
|
Размер
|
a1
|
a2
|
a3
js6
|
b
|
c
|
d, k6
|
e
|
f
|
k
|
k1
|
k2
|
I
|
m
|
p
|
S
|
S2
|
Масса
[kg]
|
|
|
|
|
|
|
|
|
|
k0
|
kB
|
|
|
|
mR
|
mG
|
mRB
|
mGB
|
|
|
|
|
|
А1
|
74
|
40
|
63
|
11
|
2.5
|
9
|
10.2
|
3
|
72
|
97
|
33
|
37
|
20
|
121
|
149
|
145
|
173
|
M3
|
55
|
5.8
|
1.0/ 1.2
|
|
А2
|
74
|
40
|
63
|
11
|
2.5
|
9
|
10.2
|
3
|
85
|
109
|
33
|
37
|
20
|
133
|
161
|
157
|
185
|
M3
|
55
|
5.8
|
1.2/ 1.4
|
|
A3
|
74
|
40
|
63
|
11
|
2.5
|
9
|
10.2
|
3
|
97
|
121
|
33
|
37
|
20
|
145
|
173
|
169
|
197
|
M3
|
55
|
5.8
|
1.4 / 1.6
|
|
А4
|
74
|
40
|
63
|
11
|
2.5
|
9
|
10.2
|
3
|
121
|
146
|
33
|
37
|
20
|
170
|
193
|
194
|
222
|
M3
|
55
|
5.8
|
1.8 / 2.0
|
|
В1
|
87
|
60
|
75
|
14
|
2.5
|
11
|
12.2
|
4
|
81
|
109
|
33
|
37
|
23
|
135
|
167
|
163
|
195
|
M4
|
70
|
5.3
|
1.5 / 1.8
|
|
В2
|
87
|
60
|
75
|
14
|
2.5
|
11
|
12.2
|
4
|
105
|
133
|
33
|
37
|
23
|
159
|
191
|
187
|
219
|
M4
|
70
|
5.3
|
2.1 / 2.4
|
|
B3
|
87
|
60
|
75
|
14
|
2.5
|
11
|
12.2
|
4
|
141
|
169
|
33
|
37
|
23
|
195
|
227
|
227
|
255
|
M4
|
70
|
5.3
|
2.9 / 3.2
|
|
С1
|
116
|
80
|
100
|
8
|
3
|
14
|
16
|
5
|
86
|
132
|
46
|
37
|
30
|
156
|
193
|
192
|
229
|
M4
|
92
|
7
|
2.7/ 3.2
|
|
С2
|
116
|
80
|
100
|
8
|
3
|
14
|
16
|
5
|
110
|
156
|
46
|
37
|
30
|
180
|
217
|
226
|
263
|
M4
|
92
|
7
|
3.9 / 4.4
|
|
СЗ
|
116
|
80
|
100
|
8
|
3
|
14
|
16
|
5
|
144
|
190
|
46
|
37
|
30
|
214
|
251
|
260
|
297
|
M4
|
92
|
7
|
5.2 / 5.7
|
|
С4
|
116
|
80
|
100
|
8
|
3
|
14
|
16
|
5
|
178
|
224
|
46
|
37
|
30
|
248
|
285
|
294
|
331
|
M4
|
92
|
7
|
6.6 / 7.1
|
|
D1
|
136
|
95
|
115
|
10
|
3
|
19
|
21.5
|
6
|
138
|
145
|
52
|
37
|
40
|
218
|
248
|
226
|
256
|
M6
|
110
|
9
|
6.3 / 7.1
|
|
D2
|
136
|
95
|
115
|
10
|
3
|
19
|
21.5
|
6
|
168
|
175
|
52
|
37
|
40
|
248
|
278
|
256
|
286
|
M6
|
110
|
9
|
7.9 / 8.7
|
|
D3
|
136
|
95
|
115
|
10
|
3
|
19
|
21.5
|
6
|
198
|
205
|
52
|
37
|
40
|
278
|
308
|
286
|
316
|
M6
|
110
|
9
|
9.6 / 10.4
|
|
D4
|
136
|
95
|
115
|
10
|
3
|
19
|
21.5
|
6
|
228
|
235
|
52
|
37
|
40
|
308
|
338
|
316
|
346
|
M6
|
110
|
9
|
11.2 / 12.0
|
|
Е1
|
187
|
130
|
165
|
17
|
3.5
|
24
|
27
|
8
|
142
|
187
|
55
|
37
|
40
|
231
|
263
|
276
|
308
|
М8
|
140
|
11
|
10.2 / 11.8
|
|
Е2
|
187
|
130
|
165
|
17
|
3.5
|
24
|
27
|
8
|
172
|
217
|
55
|
37
|
40
|
261
|
293
|
306
|
338
|
М8
|
140
|
11
|
12.3 / 13.9
|
|
ЕЗ
|
187
|
130
|
165
|
17
|
3.5
|
24
|
27
|
8
|
202
|
247
|
55
|
37
|
40
|
291
|
323
|
336
|
368
|
М8
|
140
|
11
|
15.5 / 17.1
|
|
Е4
|
187
|
130
|
165
|
17
|
3.5
|
24
|
27
|
8
|
247
|
292
|
55
|
37
|
40
|
336
|
368
|
381
|
413
|
М8
|
140
|
11
|
20.4 / 22.0
|
|
F1
|
237
|
180
|
215
|
-
|
4
|
32
|
35
|
10
|
254
|
254
|
60
|
55
|
58
|
348
|
386
|
348
|
386
|
M12
|
190
|
14
|
30.5 / 34.3
|
|
F2
|
237
|
180
|
215
|
-
|
4
|
32
|
35
|
10
|
334
|
334
|
60
|
55
|
58
|
428
|
466
|
428
|
466
|
M12
|
190
|
14
|
44.0 / 47.8
|
|
F3
|
237
|
180
|
215
|
-
|
4
|
32
|
35
|
10
|
414
|
414
|
60
|
55
|
58
|
508
|
546
|
508
|
546
|
M12
|
190
|
14
|
57.5 / 61.3
|
|
Примечание
k0
- без тормоза,
kB
- c тормозом,
mR
- c резольвером,
mG
- c sin/cos энкодером,
mRB
- c резольвером и тормозом,
mGB
- c sin/cos энкодером и тормозом,
|
Значения через дробь «/»:
слева — без тормоза,
справа — с тормозом.
|